NA holender D50
Sunčan dan se trudi da stanje magacina bude uvek ažurno. Ukoliko je artikal ipak rasprodat i ne možemo da ga isporučimo - obavestićemo vas u što kraćem roku od trenutka prijema vaše narudžbenice.
Troškovi isporuke nisu uračunati u cenu proizvoda. Oni se posebno naplaćuju. Isporuku vrši kurirska služba na teritoriji Srbije. Troškovi isporuke ne zavise od mesta isporuke, već isključivo od mase pošiljke i računaju se za celokupnu pošiljku. Troškovi isporuke biće prikazani na samom kraju procesa naručivanja, neposredno pre nego što ostavite podatke za isporuku.
Cenovnik dostave:
masa pošiljke - cena isporuke u rsd
do 20 kg - 440 rsd - za uplatu unapred
do 20 kg - 490 rsd - za plaćanje pouzećem
20 - 50kg - 1090 rsd
50 - 70kg -2390 rsd
70 - 100 kg - 2990 rsd
Preko 100 kg svaki dodatni kg se naplaćuje 48.94 rsd
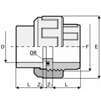
Holender D50 NA
NA holender D50 sa spoljašnjim navojem se instalira na mešne ventile radi lakšeg odvajanja prilikom nekog remonta ili zbog menjanja peska.
Dimenzije:
L 31
Z1 3
Z2 14
F:2 1/4"

















Pošaljite Vaš komentar / Ocenite ovaj artikal